
GEOLOGY
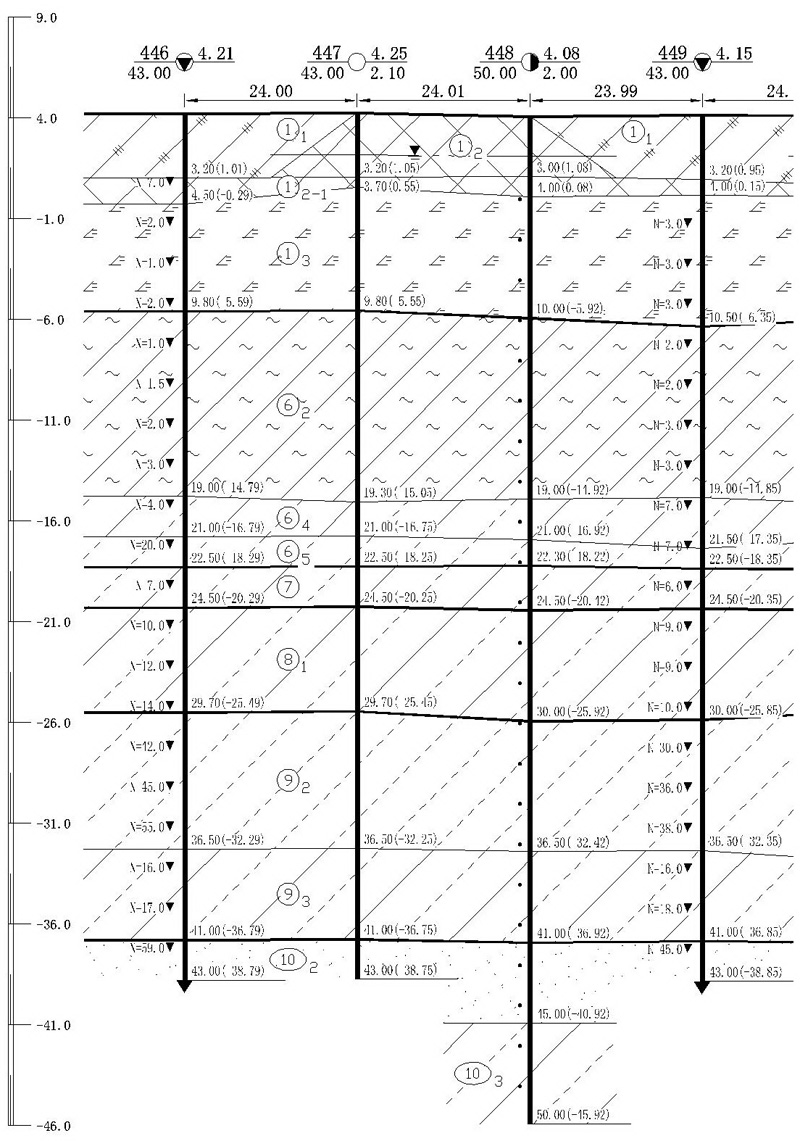
天津市臨港工業(yè)區(qū)天津泰富地質剖面圖-----下載
擬建場地位于天津市臨港工業(yè)區(qū),渤海五十六路、海河東道與渤海六十路所圍成的地塊內。
地基土承載力特征值表
地層編號
巖 性
fak (kPa)
①3
淤泥質土質沖填土
80
①3-1
粉土、砂性大粉質粘土質沖填土
90
⑥2
淤泥質粘土、淤泥質粉質粘土
80
⑥4
粉質粘土、粘土
110
⑥5
粉土
160
⑦
粉質粘土
130
⑧1
粉質粘土
150
⑨1
粉質粘土、粘土
160
⑨2
粉土
200
⑨3
粉質粘土
170
⑩2
粉砂
220
樁極限側阻力標準值qsik、極限端阻力標準值qpk
地層編號
巖 性
預制樁
鉆孔灌注樁
qsik(kPa)
qpk(kPa)
qsik(kPa)
qpk(kPa)
⑥2
淤泥質粘土、
淤泥質粉質粘土
18
16
⑥4
粉質粘土、粘土
36
34
⑥5
粉土
55
50
⑦
粉質粘土
50
45
⑧1
粉質粘土
54
1400
52
⑨1
粉質粘土、粘土
56
1500
54
500
⑨2
粉土
75
4000
72
750
⑨3
粉質粘土
56
550
注:1)人工填土極限側阻力標準值按零考慮;
2)鉆孔灌注樁qpk值僅適用于孔底回淤土厚度≤10cm。